Categories
> Card type: EM or MF Card
> User Capacity: 10,000 card users
> Voltage: DC12~24V
Brand:
S4AItem NO.:
M002RFID Standalone Access Control with Toggle Mode
Model No.: M002 EM, MF
Introduction:
It adopts new ARM core 32-bit microprocessor design, which is powerful, stable and reliable. It includes reader mode and standalone access control mode etc.. It’s widely applied to different occasions, such as offices,residential communities, villa,bank and prison etc.
Features:
> Card Type: Read 125KHz EM Card and 13.56MHz Mifare Card.
> Keypad Characteristic: Operate by infrared remote control.
> Output Way: Contains reader mode, the transmission format could be adjusted by users.
> Admin Card: Support admin add card, admin delete card and setting card.
> User Capacity: 10,000 card users.
> Unlocking signal: The unlocking signal adopts NO,NC,COM output of relay.
User Capacity | 10,000 card users |
Operating Voltage | DC 12~24V |
Operation Current | ≤100mA |
Standby Current | ≤35mA |
Maximum Rated Current | ≤1A |
Door Opening Time | 0-99s(Adjustable) |
Operating Temperature | -20°C~60°C |
Operating Humidity | 0%~95% |
Dimensions | 110x48x20mm |

Common Power Supply:

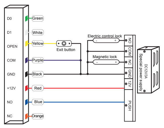
Special Power Supply:

Reader Mode:


S4A User Manual M002_RFID Standalone Access Control with Toggle Mode