Categories
> Card type: EM Card
> Dimension: 120 x 56 x 18mm
> Access Control Keypad Containing 2000 users with Pincode
Brand:
S4AItem NO.:
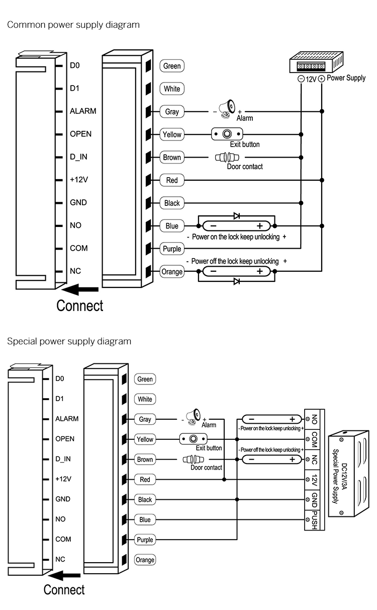
7612Zinc Alloy Standalone Access Controller
Model No.: 7612 EM
Card type | EM |
Capacity | 2000 users |
Environment Humidity | 10%~90% |
Lock output | ≤3A |
Working voltage | DC12V±10% |
Static electricity | ≤30mA |
Alarm output | ≤20A |
Output short circuit protection time | ≤100μS |
Card read distance | 3~8cm |
Ambient temperature | -25℃~60℃ |
Door Opening Time | 0~99s(Adjustable) |
Dimension | 120*56*18mm |





Zinc Alloy Standalone Access Controller | |||
Model No. | Quantity/Carton | Gross Weight | Carton Size |
SA-0103 | 72pcs | 34.4KG | 56X41X41cm |

S4A User Manual SA-0103_Zinc Alloy Standalone Access Controller