Categories
> Card type: EM or MF Card
> Metal case, anti-vandal
> WG26 Input/output
> Three accesses: card, pin, card+pin
> Digital backlit keypad
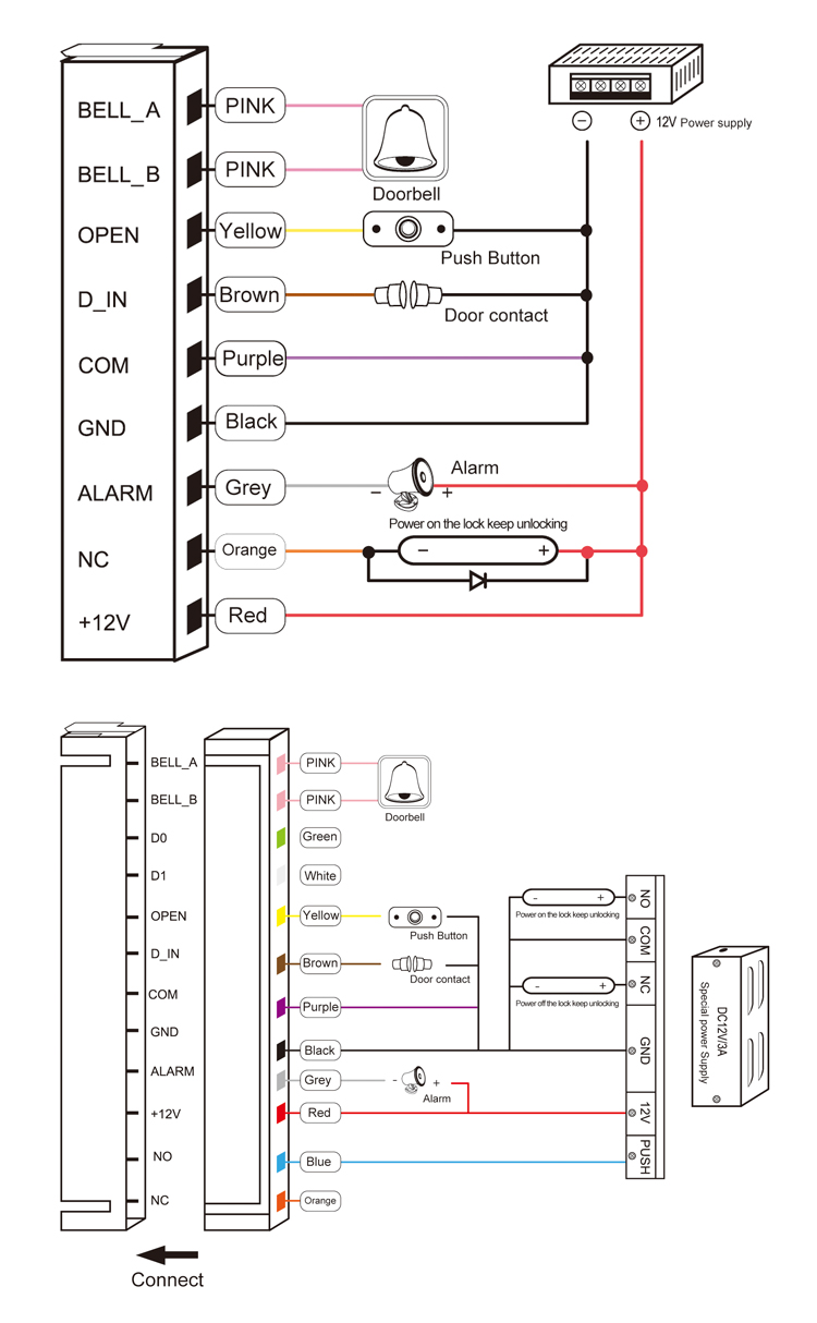
> Doorbell support and interface: button and circuit segregate, any doorbell can be connected
Brand:
S4AItem NO.:
K8EMMetal Standalone Access control
Model No.: K8EM, MF

Card type | EM or MF |
Waterproof degree | Non-Waterproof(K8) / IP68(K8-W) |
User capacity | 2000 card user card, 2000 user password |
Environment Humidity | 10%~90% |
Lock output | ≤3A |
Working voltage | DC12V±10% |
Static electricity | ≤30mA |
Alarm output | ≤20A |
Output short circuit protection time | ≤100μS |
Card read distance | 5~8cm |
Ambient temperature | -45℃~60℃ |
Door Opening Time | 0~99s(Adjustable) |
Dimension | 118*78*25mm |



Wiegand 26 Input and Output Access Controller with Dual LED | |||
Model No. | Quantity/Carton | Gross Weight | Carton Size |
K8EM | 54pcs | 28.5KG | 55.5x39.9x40cm |
K8MF | |||
K8EM-W | 54pcs | 34.4KG | |
K8MF-W | |||

S4A User Manual K8_Wiegand 26 Input and Output Access Controller with Dual LED