Categories
> Card type: EM Card
> Material: Plastic Case
> Dimension: 110x45x28mm
Brand:
S4AItem NO.:
F7 Plastic125KHz Fingerprint Access Control EM Card Reader for Door Lock System WG26 Output
Model No.: F7 EM (Plastic)
Product feature
> Plastic case, anti-vandal
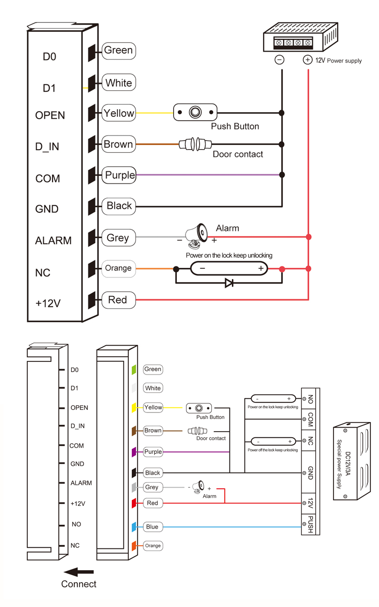
> Fingerprint access controller and reader, WG26 Input /output
> Capacity: 200 fingerprints and 500 cards
> Two accesses: card, fingerprint
Card type | EM |
Working voltage | DC12V±10% |
Reading Range | 3-6cm |
Humidity | 20% to 90% RH |
Door Opening Time | 0-99s(Adjustable) |
Sleep electricity | ≤30mA |
Static electricity | ≤80mA |
Electric lock output | ≤3A |
Short-circuit Protect | ≤100μS |
Dimensions | 110x45x28mm |




RFID 125KHz Fingerprint RFID Keypad Access Control Biometric Reader | ||||
Model No. | Dimension | Quantity/Carton | Gross Weight | Carton Size |
F7EM Plastic | 110x45x28mm | 54pcs | 15KG | 55.5x40x39.9cm |
F7EM-W Plastic | 54pcs | 16KG | ||

S4A User Manual F7 Plastic_RFID 125KHz Fingerprint RFID Keypad Access Control Biometric Reader Door Opener Standalone Access Controller with RFID