Categories
> Card type: EM Card
> Metal case, anti-vandal
> Capacity: 200fingerprints and 10,000 card
> Two accesses: card, fingerprint
> Fingerprint access controller and reader, WG26 Input/output
Brand:
S4AItem NO.:
F1Fingerprint Standalone Access Controller
Model No.: F1 EM
The series of product is a new generation of multi-functional standalone access control. It adopts new ARM core 32-bit microprocessor design, which is powerful, stable and reliable. It contains reader mode and standalone access control mode etc.. It's widely applied to different occasions, such as office, residential communities, villa etc..
Features:
> Read 125KHz EM Card and HID Card (Optional)
> Read 13.56MHz Mifare card and CPU card (Optional)
> Keypad Characteristic: Operate by infrared remote
> Output Way: Contain reader mode, the transmission format could be adjusted by users.
> Access Way: Support multi access ways: Card+Fingerprint, multi cards or multi fingerprints
> Support admin card/admin fingerprint
> 10,000 card users and 200 fingerprint users
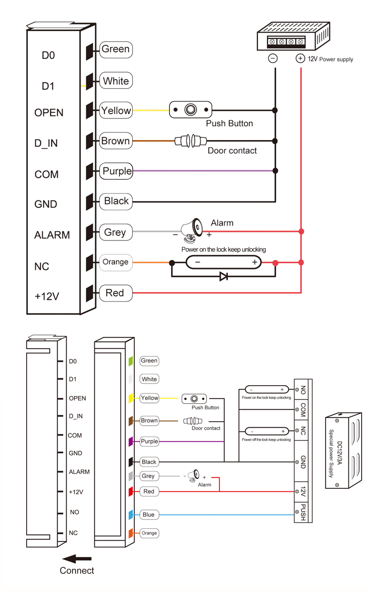
> Unlocking Signal: Relay NO/NC/COM output
User Capacity | 10,000 card users and 200 fingerprint users |
Card type | EM 125KHz |
Operating Voltage | DC 12-24V |
Standby Current | ≤ 35mA |
Operating Current | ≤100mA |
Operating Temperature | -20℃~60℃ |
Operating Humidity | 0%~95% |
Electric lock signal relay contact current | ≤1A |
Alarm signal MOS tube output current | ≤1A |
Unlocking time | 0~300s adjustable |
Dimension | 110*75*30mm |



Biometric Fingerprint Access Control Systems | ||||
Model No. | Dimension | Quantity/Carton | Gross Weight | Carton Size |
F1EM | 110x75x35mm | 54pcs | 30KG | 55.5x40x39.9cm |

S4A F1 User Manual_Biometric Fingerprint Access Control System