Categories
> Card type: EM Card
> Metal case, anti-vandal
> Capacity: 200 fingerprints and 500 cards
> Two accesses: card, fingerprint
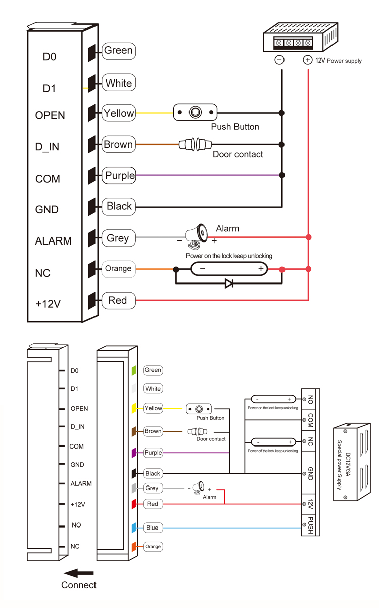
> Fingerprint access controller and reader, WG26 Input / output
Brand:
S4AItem NO.:
F4Fingerprint Standalone Access Controller
Model No.: F4 EM
Product feature
> Metal case, anti-vandal
> Fingerprint access controller and reader, WG26 Input /output
> Capacity: 200 fingerprints and 500 cards
> Two accesses: card, fingerprint
Card type | EM |
Working voltage | DC12V±10% |
Reading Range | 3-6cm |
Humidity | 20% to 90% RH |
Door Opening Time | 0-99s(Adjustable) |
Sleep electricity | ≤30mA |
Static electricity | ≤80mA |
Electric lock output | ≤3A |
Short-circuit Protect | ≤100μS |
Dimensions | 116x76x34mm |



Fingerprint Access Control Machine with Fingerprint Scanner for | ||||
Model No. | Dimension | Quantity/Carton | Gross Weight | Carton Size |
F4EM | 116x76x34mm | 54pcs | 29.6KG | 55.5x40x39.9cm |
F4EM-W | 54pcs | 32.3KG | ||

S4A User Manual F4_Fingerprint Access Control Machine with Fingerprint Scanner for RFID Door Access Control System