> Card Type: EM Card
> Metal case, anti-vandal
> Digital backlit touch keypad
> Multi-function standalone access controller and reader,
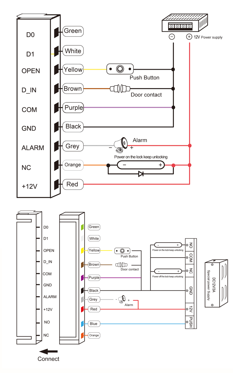
> WG interface: WG26 Input / output
> Capacity: 2000 cards / codes
Brand:
S4AItem NO.:
T1Touch Screen Standalone Access Controller
Model No.: T1 EM
Product feature:
> Metal case, anti-vandal
> Digital backlit touch keypad
> Multi-function standalone access controller and reader,
> WG interface: WG26 Input / output
> Capacity: 2000 cards / codes
Card type | EM |
Working voltage | DC12V±10% |
Reading Range | 3-6cm |
Humidity | 10%~90% RH |
Door Opening Time | 0~99s(Adjustable) |
Sleep electricity | ≤30mA |
Ambient temperature | -45℃~60℃ |
Electric lock output | ≤3A |
Short-circuit Protect | ≤100μS |
Dimensions | 120x80x23mm |




S4A User Manual T1_Wiegand 26 Standalone Access Controller Keypad