Categories
Voltage and current: 9~15V100mA
Relay delay: minimum 1 second, maximum 60 seconds
Wiegand interface format:WG26~WG80
Unlocking rules: any Wiegand signal is fine
Brand:
S4AItem NO.:
Wiegand-DryWiegand switch or Wiegand output to relay

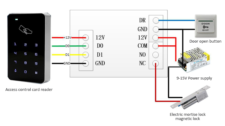
A Wiegand To Relay Module is a device that converts the Wiegand signal output from access control identification devices such as card readers, fingerprint readers, or face recognition machines into relay control signals. Here is a detailed introduction:
- Working principle: The Wiegand interface is a wiring standard for connecting card-swiping devices to access control systems. It uses three wires, with one as the ground wire and the other two for data transmission, named "data low/data 0" and "data high/data 1". The Wiegand To Relay Module receives the Wiegand signal through these wires, decodes and processes it, and then controls the opening and closing of the relay according to the set rules. For example, when a specific Wiegand signal is received, the module will make the relay close for a certain period to control the connected device, such as an electric lock, to achieve the purpose of access control.
Typical applications: It is mainly used in access control systems. For example, in office buildings, factories, schools, and other places, it is used to connect access control devices such as card readers and fingerprint recognition devices to electric locks. By converting Wiegand signals into relay signals, it realizes the control of door opening and closing, improving the security and management efficiency of access control systems.
The advantages of using the Wiegand To Relay Module include:
Enhanced security: The module can be installed in a safe place inside the door, which isolates the access control identification device from the electric lock. This helps prevent the access control device from being damaged or short-circuited due to external factors, reducing potential safety hazards and improving the overall security of the access control system.
Wide compatibility: The Wiegand protocol is widely supported by access control systems and is compatible with a variety of card readers, including proximity cards, magnetic stripe cards, barcode cards, fingerprint readers, and more. Therefore, the Wiegand To Relay Module can be used with different types of access control devices, offering great convenience for system integration and expansion.
Simple installation and operation: The Wiegand interface is easy to implement and troubleshoot. The module usually has a simple wiring method and comes with clear setup instructions. Users only need to connect the wires according to the requirements and set the relevant parameters to make it work, which reduces the difficulty and cost of installation and commissioning.
Flexible control: The relay delay time of the module can usually be set according to actual needs, with a minimum of 1 second and a maximum of 60 seconds. This allows users to customize the door opening time to meet different usage scenarios, such as the traffic flow and access frequency of different locations.



Dimension

S4A Datesheet_Wiegand switch or Wiegand output to relay