Categories
>Size: 88X50X31mm (including installation hole 96.5X50X31mm)
>Voltage and current: 9~15V100mA
>Relay maximum load: AC250V10A, DC30V10A
Brand:
S4AItem NO.:
Wiegand-DryWiegand output to relay dry point
Model No.: Wiegand-Dry
Wiegand switch module
Instructions for use
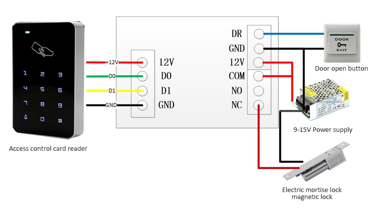
All-in-one access control machines, face recognition machines, and fingerprint machines sold on the market have built-in relays to control the door lock switch. Since the devices are installed outside the door, they are easy to be damaged and short-circuited to open the door, posing potential safety hazards. This device can be installed in a safe place inside the door to isolate the access control identification device and the electric lock, and use the Wiegand output of the access control identification device to control the unlocking to improve the security of access control.
Size | 88X50X31mm (including installation hole 96.5X50X31mm) |
Voltage and current | 9~15V100mA |
Relay maximum load | AC250V10A, DC30V10A |
Relay delay | minimum 1 second, maximum 60 seconds |
Wiegand interface format | WG26~WG80 |
Manual switch input | 1 channel (DR/GND), which can be connected to the door open button or dry contact signal |
Unlocking rules | any Wiegand signal is fine |




Set relay action hold time
(When setting, the module needs to be powered on and disconnect the card reader and relay interface)
***Short DR and GND first and keep shorted during setup***
1. The module relay action hold time defaults to 0.5~1s
2. Short-circuit D0 and GND for about 2 seconds, wait until the relay acts, and add a 10.5-second delay
Example: The relay action needs to be kept for 3 seconds, short-circuit DO and GND for 5 seconds, and then disconnect after hearing the relay action for 5 times, the setting is automatically saved and takes effect
3. Short-circuit D1 and GND for about 3 seconds, and the relay will act--the default hold time will be restored after being pressed
4. After the setting is completed, disconnect DR and GND to make the converter enter the working state


S4A Datesheet_Wiegand Output To Relay Dry Point