> Card type: EM, HID, MF, CPU Card
(Factory default: EM 125KHz)
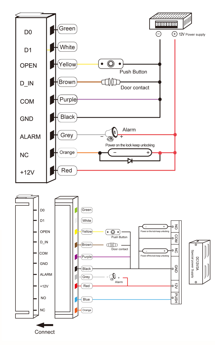
> Relay NO/NC/COM output
Brand:
S4AItem NO.:
F601Biometric Fingerprint Access Control Reader with Relay Output
Model No.: F601
The series of product is a new generation of multi-functional standalone access control. It adopts new ARM core 32-bit microprocessor design, which is powerful, stable and reliable. It contains reader mode and standalone access control mode etc.. It's widely applied to different occasions, such as office, residential communities, villa etc..
> Read 125KHz EM / HID Card / 13.56MHz Mifare / CPU Card (Factory default: EM 125KHz)
> Operate by infrared remote
> Contain reader mode, the transmission format could be adjusted by users.
> Support multi-access ways: Card+Fingerprint, multi cards or multi fingerprints
> Support admin card/admin fingerprint
> 10,000 card users and 300 fingerprint users
> Relay NO/NC/COM output
Card type | EM / HID / MF / CPU |
User Capacity | 10,000 card |
Fingerprint Capacity | 300 |
Operating Voltage | DC 12-24V |
Standby Current | ≤35mA |
Operating Current | ≤100mA |
Operating Temperature | -20℃~60℃ |
Operating Humidity | 0%~95% |
Electric lock signal relay contact current | ≤1A |
Alarm signal MOS tube output current | ≤1A |
Unlocking time | 0~300s adjustable |
Size | 118x56x22mm |



S4A Datasheet_Biometric Fingerprint Access Control Reader with Relay Output