> Card type: EM Card
> Capacity: 2000 users
> Working Voltage: DC12-24V
> Card Reading Distance: 1~3cm
Brand:
S4AItem NO.:
K12Standalone Access Control System With WG26 Or WG34 Keypad
Model No.: K12 EM
The device is a standalone access control and proximity card reader which supports EM & MF card types. It builds-in STC microprocessor, with strong anti-interference ability, high security and reliability, powerful function, and convenient operation. It’s widely used in high-end buildings, residential communities, and other public places.
Features:
Ultra-low Power | Standby current is less than 30mA |
Wiegand Interface | WG26 or WG34 input and output |
Searching time | Less than 0.1s after reading card |
Backlight keypad | Operate easily at night |
Doorbell interface | Support external wired doorbell |
Access ways | Card, Pin code, Card & Pin code |
Independent codes | Use codes without related card |
Change codes | Users can change codes by themselves |
Delete users by card No. | The lost card can be deleted by keyboard |
Specifications:
Working Voltage | DC12-24V |
Capacity | 2000 users |
Card Reading Distance | 1~3cm |
Standby Current | ≤30mA |
Door Relay time | 0~99S(Adjustable) |
Working Temperature | -40℃~60℃ |
Working Humidity | 10%~90% |
Dimension | 114x75x16mm |
Our factory has more than 200 different appearances for Rfid standalone access control,
Whether you have many or few staff, whether it is installed indoors or outdoors,
you can find the machines you want in our factory.




Installation:
Drill a hole according to the size of the device and fix the back shell with the equipped screw. Thread the cable through the cable hole. connect the wires according to your required function, and wrap the unused wires to avoid short circuits. After connecting the wire, install the machine. (as shown below)

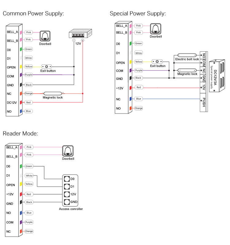
Wiring:
Colour | ID | Description |
Green | D0 | Wiegand Input(Wiegand Output in Card Reader Mode) |
White | D1 | Wiegand Input(Wiegand Output in Card Reader Mode) |
Yellow | OPEN | Exit Button input terminal |
Red | +12V | 12V + DC Regulated Power Input |
Black | GND | 12V - DC Regulated Power Input |
Blue | NO | Relay normally-on terminal |
Purple | COM | Relay Public terminal |
Orange | NC | Relay normally-off terminal |
Pink | BELL_A | Doorbell button one terminal |
Pink | BELL_B | Doorbell button to the other terminal |


S4A Datasheet_Standalone Access Control System With WG26 Or WG34 Keypad