> Card type: EM or EM+HID Card
> Waterproof, up to IP66
> Metal Design & Anti-Vandal
> Standalone, one relay
> 1,000 fingerprints, 2,000 card users
> Wiegand 26~44 output
> Pulse mode, toggle mode
> Multi fingerprints/cards access
> Interlock, Support Principal User
Brand:
S4AItem NO.:
SF1Waterproof IP66 Fingerprint access control
Model No.: SF1 EM, EM&HID
SF1 is a waterproof metal case standalone fingerprint access control with an integrated EM reader.
IP66 waterproof makes it very suitable for outdoor use; with the slim design, it is an ideal choice to install on the door frame.
Features:
> Waterproof, up to IP66
> Metal Design & Anti-Vandal
> Standalone, one relay
> 1,000 fingerprint, 2,000 card users
> Wiegand 26~44 output
> Pulse mode, toggle mode
> Multi fingerprints/cards access
> Interlock, Support Principal User
User Capacity | 3000 |
Fingerprint | 1000 |
Card | 2000 |
Operating Voltage | 12V DC |
Idle Current | < 45mA |
Proximity Card Reader | EM, EM&HID |
Radio Technology | 125KHz Proximity Card |
Read Range | 2~4 cm |
Fingerprint Reader | Optical Fingerprint Module |
Resolution | 500DPI |
Identification time | <1S |
FAR | <0.001% |
FR | <0.01% |
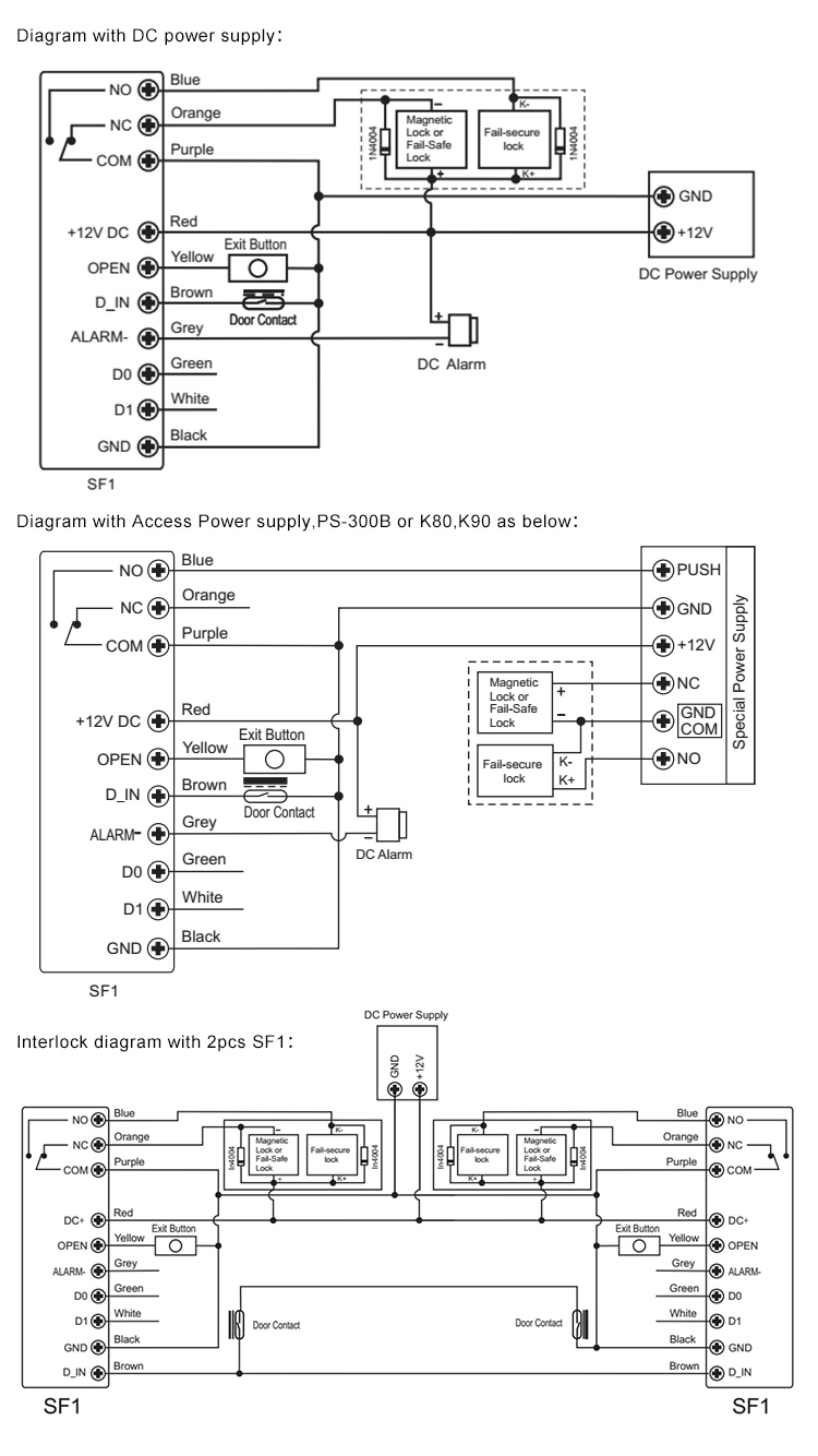
Wiring Connections | Relay output, exit button, alarm, door contact, Wiegand output |
Relay | One (NO, NC, Common) |
Adjustable Relay Output Time | 0~99 Seconds (5 seconds default) |
Lock Output Load | 2 Amp Maximum |
Wiegand Interface | Wiegand 26~44bits output |
Environment | Meets IP66 |
Operating Temperature | -30°C ~ 60°C (-22°F ~ 140°F)--Default |
-40°C ~ 60°C (-40°F ~ 140°F)--Optional | |
Operating Humidity | 10%RH ~ 99%RH |
Physical | Zinc-Alloy |
Color | Silver |
Dimensions | L128 x W48 x H26 (mm) |
Unit Weight | 400g |
Shipping Weight | 500g |



S4A User Manual SF1_Fingerprint Access Control System