> Screen size: 2.8inch
> ID+IC Card
> TCP/IP and USB
> Language: English
Brand:
S4AItem NO.:
T301Face recognition access control
Model No: T301
Screen size | 2.8inch |
ID/IC card | ID+IC |
User capacity | 1000 |
Face capacity | 1000 |
Password capacity | 1000 |
Card capacity | 1000 |
Data capacity | 160000 |
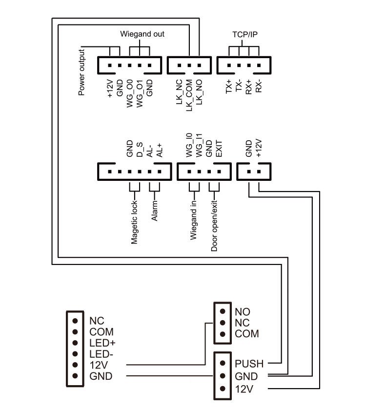
Wiegand output | √ |
TCP/IP | √ |
USB communication | √ |
Recognition speed | ≤1s |
FAR | ≤0.0001% |
FR | ≤0.1% |
Power | 12V1A |
Ambient temperature | -10℃~45℃ |
Environment humidity | 20~80% |
Product Size | 172*89*32mm |
Language | English |





S4A User Manual T301_Face Recognition Access Control